ITC Bridge Home 
Home Search search Menu menu Not logged in - Login | Register

ITC Bridge and iDigitalMedium.com are now VARANORMAL.COM Please visit: https://www.varanormal.com This site does not allow new registrations, and is now an online archive of a decade of Paranormal and ITC (Instrumental Transcommunication) experimentation from 2007 - 2016 We thank you for a wonderful decade! ~ Keith Clark & Ron Ruiz

 Moderated by: Vicki Talbott, Keith Clark, fratka, EVPDave, ArizonaEvp Page:  First Page Previous Page  1  2   
New Topic Reply Printer Friendly
"The Ghost Box"  Rating:  Rating
AuthorPost
 Posted: Aug 7th, 2007 01:18 PM
  PM Quote Reply
41st Post
SilverWolfe
Member
 

Joined: Aug 7th, 2007
Location:  
Posts: 4
Status: 
Offline
hey Keith & everyone!

im new here and am in the feild of evp-itc/mediumship etc etc.. sorry to write so big but find it hard to read small type..

I am trying to improve communications with the other side using any methods that might work. I have never tried the feedback loop idea but have all the gear i need ( i think) and have been trying to figure out how to do it myself by reading all the posts- gotta tell ya- it can be confusing when you dont know the lingo! lol:blink:

anyway- i have been communicating with someone named Harold ( or so I think)- he has had occassions to tell me that hes "not supposed to talk" and "they know we are talking about evps" and they are 'watching us right now"

ok, so who are 'they', why are we not allowed to talk about evps, and why would they be watching us right now? all i was doing was standing there with a recorder in my hand looking like a doofus.

If anyone has some ideas, i would appreciate it- or pointers etc. glad to finally see some ppl in the world are into this feild too and im not the only one, nor am i nuts! Will put my evps up for you all to hear( if youd like) but not sure if this is the right spot for them or not.

looking forward to chatting with/meeting you all

Wolfe

 

Back To Top PM Quote Reply  

 Posted: Aug 7th, 2007 01:55 PM
  PM Quote Reply
42nd Post
Old-Frank
Member
 

Joined: Feb 23rd, 2007
Location:  
Posts: 174
Status: 
Offline
 I get that about being monitored in my voices as well, and tend to ignore it. I used my random tuning method applied to a small TV and got an MIB. Maybe it's just the darkheads that want to scare the uninformed away for the field.

 

 old Frank (franks-boxes)

Attached Image (viewed 1132 times):

MIB.jpg

Last edited on Aug 7th, 2007 02:07 PM by Old-Frank

Back To Top PM Quote Reply

 Posted: Aug 7th, 2007 01:59 PM
  PM Quote Reply
43rd Post
Old-Frank
Member
 

Joined: Feb 23rd, 2007
Location:  
Posts: 174
Status: 
Offline
 I've found that the linear scan mode is very superior to the random method, and I intend to leave out the RGV from futer boxes. This one is FM-linear scan from 08/06/07 the main voice is about four seconds in.

 

 Old-Fank

Attached Image (viewed 1127 times):

SmallPlasticEchoBox.jpg

Last edited on Aug 7th, 2007 02:11 PM by Old-Frank

Back To Top PM Quote Reply  

 Posted: Aug 10th, 2007 12:56 PM
  PM Quote Reply
44th Post
Old-Frank
Member
 

Joined: Feb 23rd, 2007
Location:  
Posts: 174
Status: 
Offline
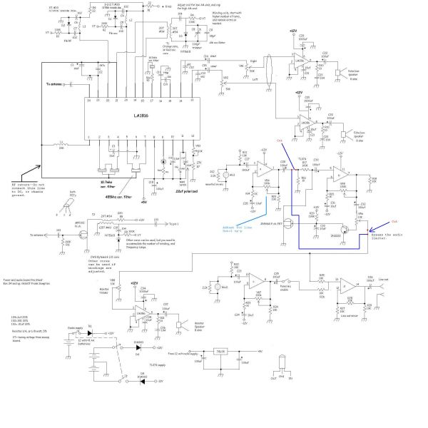
 There is a mistake on the schematic. Move the ground point on pin 24 of the LA1816 so Pin 24 is at ground, see the data sheet for the proper connections. In the attached schematic, I show where to bypass the audio AGC if it's used. I think when there no radio signal, the gain goes up, resulting in excess noise, which ends up covering any voices that come through. I put in the audio AGC cuz a few years ago these real strong voices would come through from stronger local stations, and clip, causing distortion. Recently I've been getting ghost voices, but the noise has to be removed before I can even hear them.

 

 Old Frankengrouchierman

Attached Image (viewed 2128 times):

Tuner-AudioBoard.JPG

Back To Top PM Quote Reply

 Posted: Aug 14th, 2007 01:28 AM
  PM Quote Reply
45th Post
tenebrion
Member
 

Joined: Aug 13th, 2007
Location:  
Posts: 1
Status: 
Offline
Hi frank, Good design. I'm with Pasadena paranormal, and we have (I think it was #21) made by you. Thanks.

I'm actually a techinician considering replicating your design...mainly for  experiment purpose. I actually intend to feed the RVG info into a digital tuner...I do have some background on MCU programming and have red the specs on I2C tunning.

thanks again.



Back To Top PM Quote Reply  

 Posted: Aug 14th, 2007 09:42 AM
  PM Quote Reply
46th Post
Old-Frank
Member
 

Joined: Feb 23rd, 2007
Location:  
Posts: 174
Status: 
Offline
Thanks. Yeah if you could use the I2C bus, you can use newer tuner modules, premade. There's another researcher on the group that uses an FM scan chip, controled by 555 timer, so there's lots of possibilities.  Mostly it's just a matter of providing the raw audio bits.

 In this schematic, the mic amps and AGC are typicl of most of my boxes, and this shows where to by pass the agc to cut down the noise in the system. I took the AGC completely off the proto type board for this schematic. 

 

Old Frank

Back To Top PM Quote Reply

Current time is 04:19 PM Page:  First Page Previous Page  1  2     
ITC Bridge > Instrumental Transcommunication (ITC) > Electronic Voice Phenomena (EVP) > "The Ghost Box" Top




UltraBB 1.17 Copyright © 2007-2008 Data 1 Systems
Page processed in 0.2127 seconds (63% database + 37% PHP). 24 queries executed.